Ultrasonic flow meter laboratory & industry Atrato
Delivery time: 4 weeks
Atrato Ultrasonic
Individual request
Is your specific configuration not listed, are you looking for a special solution or do you need large quantities? Our team is looking forward to your individual task.
Please write to us.Functional description
The Atrato ultrasonic flowmeter is ideal for measuring small flow rates starting from 2 ml/min, offering remarkable measurement accuracy over a wide range. These inline flowmeters utilize patented “Time-of-Flight” ultrasonic technology, capable of measuring both laminar and turbulent flowing liquids with high precision.
The Atrato flowmeter is available in various materials, including PEEK and stainless steel, making it particularly suitable for applications in the pharmaceutical, chemical, and food industries. It offers pulse and analog outputs as well as ASCII data transmission via USB, enabling direct integration with LabVIEW and other software systems.
With the included Titan Interface Software, users can easily configure the Atrato flowmeter, log data, set alarms, and monitor multiple devices simultaneously. This user-friendly software facilitates handling and allows comprehensive data analysis and system monitoring.
Product details
Accuracy
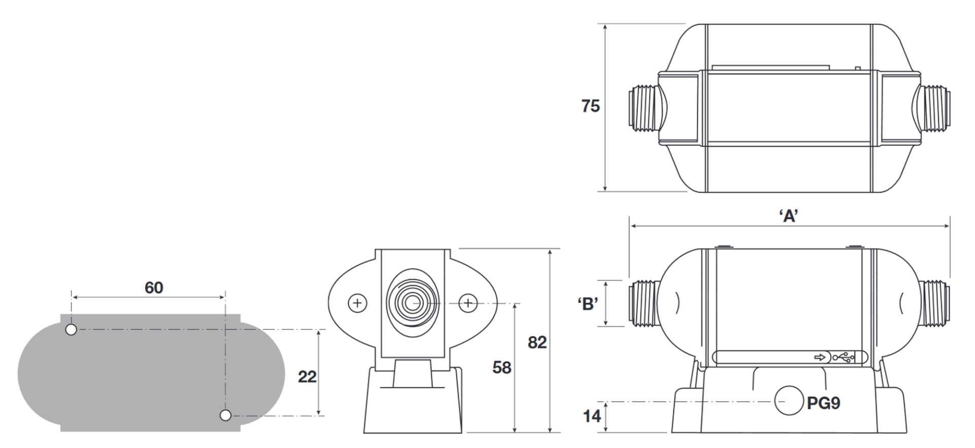
Dimensions

| Port "B" | Size "A" [mm] |
|---|---|
| 3/8” John Guest | 145 |
| 1/2” BSP PEEK | 142 |
| 1/2” NPT | 180 |
| 1/2” BSP stainless | 180 |




